Крыловидные кранцы, предназначенные для защиты судовых конструкций от повреждений во время швартовки, стоянки или маневрирования в портах и на причалах. Кранцы производятся из высокопрочной и износостойкой резины, обеспечивающей долговечность и устойчивость к агрессивным морским условиям эксплуатации.
Материал: высококачественная резина с повышенной устойчивостью к истиранию, ультрафиолетовому излучению, морской воде и перепадам температур.
Преимущества крыловидных кранцев:

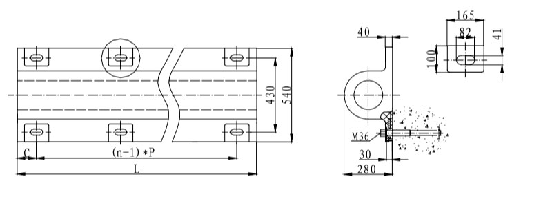
| Типоразмер, мм | C | P | L | n | Вес, кг |
| 280×540×1000 | 150 | 700 | 1000 | 2 | 99 |
| 280×540×1500 | 150 | 600 | 1500 | 3 | 148.5 |
| 280×540×2000 | 150 | 570 | 2000 | 4 | 198 |
| 280×540×2500 | 150 | 550 | 2500 | 5 | 247.5 |
| 280×540×3000 | 150 | 540 | 3000 | 6 | 297 |
| Типоразмер, мм | C (мм) | P (мм) | L (мм) | n | Вес, кг |
| 300×600×1000 | 150 | 700 | 1000 | 2 | 106 |
| 300×600×1500 | 150 | 600 | 1500 | 3 | 159 |
| 300×600×2000 | 150 | 570 | 2000 | 4 | 212 |
| 300×600×2500 | 150 | 550 | 2500 | 5 | 265 |
| 300×600×3000 | 150 | 540 | 3000 | 6 | 318 |